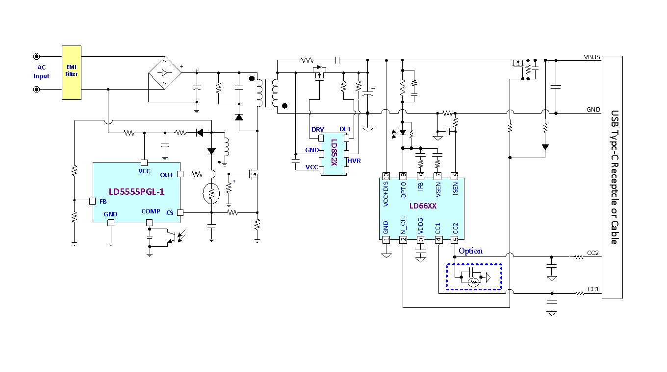
LD5555PGL-1Multi-Mode PWM Controller of Flyback with Frequency Swapping and Integrated Protection

In order to enhance the efficiency performance, the LD5555PGL-1 integrates the multi-mode PWM controller, which consists of Quasi-Resonant (QR) PWM control for light load condition and peak load mode for heavy load condition. Moreover, the QR controller not only gains the system performance, but also brings the worse EMI capability, while the frequency swapping function of LD5555PGL-1 can reduce the EMI emission of SMPS and helps the power circuit designers to simply deal with EMI filter and saves several component and developing time.
The LD5555PGL-1 is implemented in SOT-26 package, and includes the comprehensive protection function, such as Over Power Protection (OPP), Over Current Protection (OCP), Over Voltage Protection (OVP), Output Short Circuit Protection (OSCP) and internal Over Temperature Protection (OTP). Furthermore, the programmable brown-in/out protection is built-in.

 

Features

  • Low Startup Current (<1mA)
  • 0.35mA Ultra-low operating current at light load
  • Green Mode Control
  • VCC Ratting around 85V
  • Smart stabilization system and high efficiency for USB-PD App
  • VCC OVP (Over Voltage Protection)
  • Adj. OVP (Over Voltage Protection) on FB pin.
  • OPP (Over Power Protection)
  • External OTP、FB OVP
  • Internal OTP (Over Temperature Protection)
  • SDSP (Secondary Diode Short Protection)
  • Accurate LPS Protections ± 8%
  • Gate Source/Sink Capability: 120mA/-500mA @ output pin with 33nF capacitor.

 Applications

  • Switching AC/DC Adaptor
LD5555PGL-1