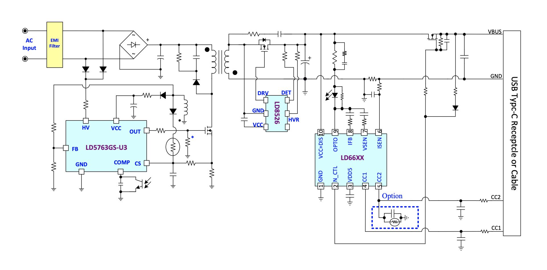
LD5763GS-U3High Voltage Green-Mode PWM Controller with BNO Function

The LD5763GS-U3 is a green mode PWM IC built-in with brown-in/ out functions in a SOP-8 package. It minimizes the component counts, circuit space, and reduces the overall material cost for the power applications.
The LD5763GS-U3 features HV start, green-mode power-saving operation, and internal slope compensation, soft-start functions to minimize the power loss and enhance the system performance.
With complete protection in it, as OPP (Over Power Protection), OVP (Over Voltage Protection), fast OSCP (Output Short Circuit Protection) and brown-in/out protection, LD5763GS-U3 prevents the circuit from being damaged under abnormal conditions.
Furthermore, the LD5763GS-U3 features frequency swapping and soft driving function to reduce the noise and improve EMI.

 

 

Features

  • High-Voltage (700V) Startup Circuit
  • Built- in X-Cap Discharge on HV pin
  • OVP (Over Voltage Protection) on VCC
  • OCP/OPP/OSCP Protections
  • Smart stabilization system and high efficiency for USB-PD App
  • Adj. CS_OTP (Over Temperature Protection)
  • LPS Protections
  • +250mA/-500mA Driving Capability

 

Applications

  • Switching AC/DC Adaptor and Battery Charger
  • Open Frame Switching Power Supply

 

LD5763GS-U3