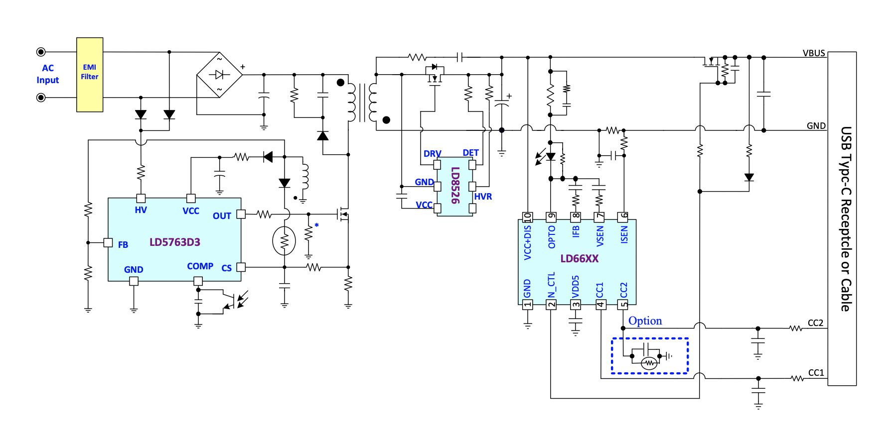
LD5763D3High Voltage Green-Mode PWM Controller with BNO Function

The LD5763D3 is a green mode PWM IC built-in with brown-in/ out functions in a SOP-8 package. It minimizes the component counts, circuit space, and reduces the overall material cost for the power applications.
The LD5763D3 features HV start, green-mode power-saving operation, and internal slope compensation, soft-start functions to minimize the power loss and enhance the system performance.
With complete protection in it, as OPP (Over Power Protection), OVP (Over Voltage Protection) and brown-in/out protection, LD5763D3 prevents the circuit from being damaged under abnormal conditions.
Furthermore, the LD5763D3 features frequency swapping and soft driving function to reduce the noise and improve EMI.

 

 

Features

  • High-Voltage (700V) Startup Circuit
  • Built- in X-Cap Discharge on HV pin
  • OVP (Over Voltage Protection) on VCC
  • OCP/OPP Protections
  • Smart stabilization system and high efficiency for USB-PD App
  • Adj. CS_OTP (Over Temperature Protection)
  • LPS Protections
  • +250mA/-500mA Driving Capability

 

Applications

  • Switching AC/DC Adaptor and Battery Charger
  • Open Frame Switching Power Supply

 

LD5763D3